|
Abstract:
This article shows how to design analog filters. It starts by covering
the fundamentals of filters, goes on to introduce the basic types like
Butterworth, Chebyshev, and Bessel, and then guides the reader through
the design process for lowpass and highpass filters. Included are the
derivation of the equations and the circuit implementation.
It's a jungle out there.
A small tribe, in the dense wilderness, is much sought after by head
hunters from the surrounding plains. Known throughout the land for
their esoteric expertise, this is the tribe of the Analog Engineers,
who live in the farthest regions of the left half Plains, past the
jungles of Laplace.
The guru of analog engineers is the Analog Filter Designer, who sits on
the throne of his kingdom and imparts wisdom. You never get to see him,
even with an appointment, and you call him "Sir."
The countless pages of equations found in most books on filter design
can frighten small dogs, and digital designers. This article clears a
path through the brush for the practical engineer and unravels the
mystery of filter design, enabling you to design continuous-time analog
filters quickly and with a minimum of mathematics.
The Theory of Analog Electronics
Analog electronics has two distinct sides: the theory taught by
academic institutions (equations of stability, phase-shift
calculations, etc.), and the practical side familiar to most engineers
(avoid oscillation by tweaking the gain with a capacitor, etc.).
Unfortunately, filter design is based firmly on long-established
equations and tables of theoretical results. Filter design from
theoretical equations can prove arduous. Consequently, this discussion
employs a minimum of math—either in translating the theoretical tables
into practical component values, or in deriving the response of a
general-purpose filter.
The Fundamentals
Simple RC lowpass filters have the transfer function:

Cascading such filters complicates the response by giving rise to
quadratic equations in the denominator of the transfer function. Thus,
the denominator of the transfer function for any second-order lowpass
filter is as2+
bs + c. Substituting values for a, b and c determines the filter
response over frequency. Anyone who remembers high school math will
note that the above expression equals zero for certain values of "s"
given by the equation:

At the values of "s" for which this quadratic equation equals zero, the
transfer function has theoretically infinite gain. These values, which
establish the performance of each type of filter over frequency, are
known as the poles of the quadratic equation. Poles usually occur as
pairs, in the form of a complex number (a + jb) and its complex
conjugate (a - jb). The term jb is sometimes zero.
The thought of a transfer function with infinite gain may frighten
nervous readers, but in practice it isn't a problem. The pole's real
part "a" indicates how the filter responds to transients, and its
imaginary part "jb" indicates the response over frequency. As long as
this real part is negative, the system is stable. The following text
explains how to transfer the tables of poles found in many text books
into component values suitable for circuit design.
Filter Types
The most common filter responses are the Butterworth, Chebyshev, and
Bessel types. Many other types are available, but 90% of all
applications can be solved with one of these three. Butterworth ensures
a flat response in the passband and an adequate rate of rolloff. A good
"all rounder," the Butterworth filter is simple to understand and
suitable for applications such as audio processing. The Chebyshev gives
a much steeper rolloff, but passband ripple makes it unsuitable for
audio systems. It is superior for applications in which the passband
includes only one frequency of interest (e.g., the derivation of a sine
wave from a square wave, by filtering out the harmonics).
The Bessel filter gives a constant propagation delay across the input
frequency spectrum. Therefore, applying a square wave (consisting of a
fundamental and many harmonics) to the input of a Bessel filter yields
an output square wave with no overshoot (all the frequencies are
delayed by the same amount). Other filters delay the harmonics by
different amounts, resulting in an overshoot on the output waveform.
One other popular filter, the elliptical type, is a much more
complicated filter that will not be discussed in this text. Similar to
the Chebyshev response, it has ripple in the passband and severe
rolloff at the expense of ripple in the stopband.
Standard Filter Blocks
The generic filter structure (Figure 1a)
lets you realize a highpass or lowpass implementation by substituting
capacitors or resistors in place of components G1 through G4.
Considering the effect of these components on the op-amp feedback
network, one can easily derive a lowpass filter by making G2/G4 into
capacitors and G1/G3 into resistors. (Doing the opposite yields the
highpass implementation.)

Figure 1. By substituting for G1 through G4 in the generic filter
block (a), you can implement a lowpass filter (b) or a highpass filter
(c).
The transfer function for the lowpass filter (Figure 1b) is:

This equation is simpler with conductances. Replace the capacitors with
a conductance of sC, and the resistors with a conductance of G. If this
looks complicated, you can "normalize" the equation. Set the resistors
equal to 1
or the capacitors equal to 1F, and change the surrounding components to
fit the response. Thus, with all resistor values equal to 1 , the lowpass transfer function is:

This transfer function describes the response of a generic,
second-order lowpass filter. We now take the theoretical tables of
poles that describe the three main filter responses, and translate them
into real component values.
The Design Process
To determine the type of filter required, you should use the above
descriptions to select the passband performance needed. The simplest
way to determine filter order is to design a 2nd-order filter stage,
and then cascade multiple versions of it as required. Check to see if
the result gives the desired stopband rejection, and then proceed with
correct pole locations as shown in the tables in the Appendix. Once pole locations are established, the component values can soon be calculated.
First, transform each pole location into a quadratic expression similar
to that in the denominator of our generic 2nd-order filter. If a
quadratic equation has poles of (a ± jb), then it has roots of (s - a -
jb) and (s - a + jb). When these roots are multiplied together, the
resulting quadratic expression is s2 - 2as + a2 + b2.
In the pole tables, "a" is always negative, so for convenience we declare s2 + 2as + a2 + b2
and use the magnitude of "a," regardless of its sign. To put this into
practice, consider a 4th-order Butterworth filter. The poles and the
quadratic expression corresponding to each pole location are as follows:
| Poles (a ± jb) |
Quadratic Expression |
| -0.9239 ± j0.3827 |
s2 + 1.8478s + 1 |
| -0.3827 ± j0.9239 |
s2 + 0.7654s + 1 |
You can design a 4th-order Butterworth lowpass filter with this
information. Simply substitute values from the above quadratic
expressions into the denominator of equation 4. Thus, C2C4 = 1 and 2C4
= 1.8478 in the first filter, implying that C4 = 0.9239F and C2 =
1.08F. For the second filter, C2C4 = 1 and 2C4 = 0.7654, implying that
C4 = 0.3827F and C2 = 2.61F. All resistors in both filters equal 1 .
Cascading these two 2nd-order filters yields a 4th-order Butterworth
response with rolloff frequency of 1rad/s, but the component values are
impossible to find. If the frequency or component values above are not
suitable, read on.
It so happens that if you maintain the ratio of the reactances to the
resistors, the circuit response remains unchanged. You might therefore
choose 1k
resistors. To ensure that the reactances increase in the same
proportion as the resistances, divide the capacitor values by 1000.
We still have the perfect Butterworth response, but unfortunately the
rolloff frequency is 1rad/s. To change the circuit's frequency
response, we must maintain the ratio of reactances to resistances, but
simply at a different frequency. For a rolloff of 1kHz rather than
1rad/s, the capacitor value must be further reduced by a factor of 2
x 1000. Thus, the capacitor's reactance does not reach the original
(normalized) value until the higher frequency. The resulting 4th-order
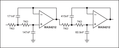
Butterworth lowpass filter with 1kHz rolloff takes the form of Figure 2.
 Figure 2. These two nonidentical 2nd-order filter sections form a 4th-order Butterworth lowpass filter.
Using the above technique, you can obtain any even-order filter
response by cascading 2nd-order filters. Note, however, that a
4th-order Butterworth filter is not obtained simply by calculating the
components for a 2nd-order filter and then cascading two such stages.
Two 2nd-order filters must be designed, each with different pole
locations. If the filter has an odd order, you can simply cascade
2nd-order filters and add an RC network to gain the extra pole. For
example, a 5th-order Chebyshev filter with 1dB ripple has the following
poles:
| Poles |
Quadratic Expression |
| -0.2265 ± j0.5918 |
s2 + 0.453s + 0.402 2.488s2 + 1.127s + 1 |
| -0.08652 ± j0.9575 |
s2 + 0.173s + 0.924 1.08s2 + 0.187s + 1 |
| -0.2800 |
see text |
To ensure conformance with the generic filter described by equation 4,
and to ensure that the last term equals unity, the first two quadratics
have been multiplied by a constant. Thus, in the first filter C2C4 =
2.488 and 2C4 = 1.127, implying that C4 = 0.5635F and C2 = 4.41F. For
the second filter, C2C4 = 1.08 and 2C4 = 0.187, implying that C4 =
0.0935F and C2 = 11.55F.
Earlier, it was shown that an RC circuit has a pole when 1 + sCR = 0: s
= -1/CR. If R = 1, then to obtain the final pole at s = -0.28 you must
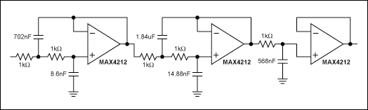
set C = 3.57F. Using 1k resistors, you can normalize for a 1kHz rolloff frequency as shown in Figure 3. Thus, designers can boldly go and design lowpass filters of any order at any frequency.

Figure 3. A 5th-order, 1dB-ripple Chebyshev lowpass filter is
constructed from two non-identical 2nd-order sections and an output RC
network.
All of this theory applies also to the design of highpass filters. It
has been shown that a simple RC lowpass filter has the transfer
function:

Similarly, a simple RC highpass filter has the transfer function:

Normalizing these functions to correspond with the normalized pole
tables gives TF = 1/(1 + s) for lowpass and TF = 1/(1 + 1/s) for
highpass.
Note that the highpass pole positions "s" can be obtained by inverting
the lowpass pole positions. Inserting those values into the highpass
filter block ensures the correct frequency response. To obtain the
transfer function for the highpass filter block, we need to go back to
the transfer function of the lowpass filter block. Thus, from

we obtain the transfer function of the equivalent highpass filter block by interchanging capacitors and resistors:

Again, life is much simpler if capacitors are normalized instead of resistors:

Equation 9 is the transfer function of the highpass filter block. This
time, we calculate resistor values instead of capacitor values. Given
the general highpass filter response, we can derive the highpass pole
positions by inverting the lowpass pole positions and continuing as
before. Inverting a complex-pole location is easier said than done,
however. As an example, consider the 5th-order, 1dB-ripple Chebyshev
filter discussed earlier. It has two pole positions at (-0.2265 ±
j0.5918).
The easiest way to invert a complex number is to multiply and divide by
the complex conjugate, thereby obtaining a real number in the
numerator. You then find the reciprocal by inverting the fraction as
follows:

Inverting this expression yields pole positions that can then be
converted to the corresponding quadratic expression, and values
calculated as before. The result is:

| Poles |
Quadratic Expression |
| -0.564 ± j1.474 |
s2 + 1.128s + 2.490 0.401s2 + 0.453s + 1 |
From equation 2 we can calculate the first filter component values as R2R4 = 0.401 and 2R2 = 0.453, implying that R2 = 0.227 and R4 = 1.77 . This procedure can then be repeated for the other pole locations.
Because it has been shown that s = -1/CR, a simpler approach is to
design for a lowpass filter using suitable lowpass poles and then treat
every pole in the filter as a single RC circuit. To invert each lowpass
pole to obtain the corresponding highpass pole, simply invert the value
of CR. Once the highpass pole locations are obtained, we ensure the
correct frequency response by interposing the capacitors and resistors.
A normalized capacitor value was calculated for the lowpass implementation, assuming that R = 1 .
Hence, the value of CR equals the value of C, and the reciprocal of the
value of C is the highpass pole. Treating this pole as the new value of
R yields the appropriate highpass component value.
Considering again the 5th-order, 1dB-ripple Chebyshev lowpass filter,
the calculated capacitor values are C4 = 0.5635F and C2 = 4.41F. To
obtain the equivalent highpass resistor values, invert the values of C
(to obtain highpass pole locations), and treat these poles as the new
normalized resistor values: R4 = 1.77, and R2 = 0.227. This approach
provides the same results as does the more formal method mentioned
earlier.
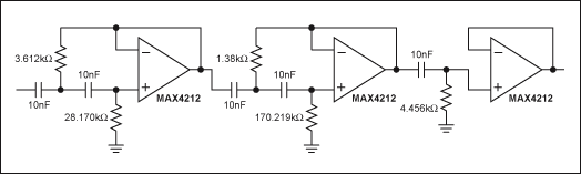
Thus, the Figure 3 circuit can now be converted to a highpass filter
with 1kHz rolloff by inverting the normalized capacitor values,
interposing the resistors and capacitors, and scaling the values
accordingly. Earlier, we divided by 2 fR to normalize the lowpass values. The scaling factor in this case is 2 fC, where C is the capacitor value and f is the frequency in hertz. The resulting circuit is Figure 4, and a SPICE simulation shows expected characteristics at the output of each filter (Figure 5).

Figure 4. Transposing resistors and capacitors in the Figure 3 circuit yields a 5th-order, 1dB-ripple Chebyshev highpass filter.

Figure 5. These SPICE outputs simulate the response of the highpass and lowpass Chebyshev circuits.
Conclusion
Using the aforementioned methods, you can design lowpass and highpass
filters with response at any frequency. Bandpass and bandstop filters
can also be implemented (with single op amps) using techniques similar
to those shown, but those applications are beyond the scope of this
article. You can, however, implement bandpass and bandstop filters by
cascading lowpass and highpass filters. Information on Maxim op amps
can be found at the Maxim website.
Appendix
| Butterworth Pole Locations |
| Order |
Real |
Imaginary |
| |
-a |
±jb |
| 2 |
0.7071 |
0.7071 |
| 3 |
0.5000 |
0.8660 |
|
1.0000 |
|
| 4 |
0.9239 |
0.3827 |
|
0.3827 |
0.9239 |
| 5 |
0.8090 |
0.5878 |
|
0.3090 |
0.9511 |
|
1.0000 |
|
| 6 |
0.9659 |
0.2588 |
|
0.7071 |
0.7071 |
|
0.2588 |
0.9659 |
| 7 |
0.9010 |
0.4339 |
|
0.6235 |
0.7818 |
|
0.2225 |
0.9749 |
|
1.0000 |
|
| 8 |
0.9808 |
0.1951 |
|
0.8315 |
0.5556 |
|
0.5556 |
0.8315 |
|
0.1951 |
0.9808 |
| 9 |
0.9397 |
0.3420 |
|
0.7660 |
0.6428 |
|
0.5000 |
0.8660 |
|
0.1737 |
0.9848 |
|
1.0000 |
|
| 10 |
0.9877 |
0.1564 |
|
0.8910 |
0.4540 |
|
0.7071 |
0.7071 |
We Want Your Feedback! Love it? Hate it? Think it could be better? Or just want to comment? Please let us know—we act on customer corrections and suggestions. Rate this page and provide feedback.
Automatic Updates
Would you like to be automatically notified when new application notes are published in your areas of interest? Sign up for EE-Mail.
| More Information | |
APP 1795: Dec 03, 2002
|
|
|
|
Download, PDF Format (105kB)
AN1795,
AN 1795,
APP1795,
Appnote1795,
Appnote 1795
|
|